РЕДУКТОР-ПРОЕКТ
Проектирование и изготовление промышленных редукторов
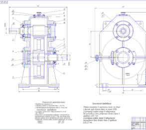
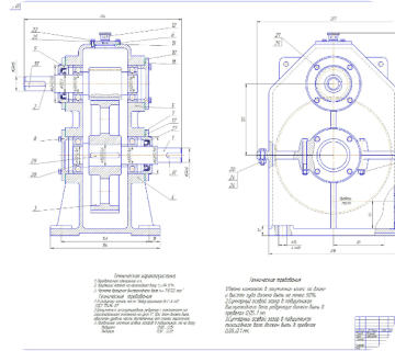
Цилиндрический быстроходных вал
Входной вал коническо-планетарного редуктора. Обладает самой высокой скоростью вращения и наименьшим крутящим моментом.
Коническая передача
Обладает сниженным цилиндрической передачей кпд.
Планетарная передача
Механическая передача вращательного движения, за счёт своей конструкции способная в пределах одной геометрической оси вращения изменять, складывать и раскладывать подводимые угловые скорости и/или крутящий момент.
Сателлит
Малые зубчатые колёса с внешними зубьями, располагающиеся между солнечной и коронной шестернёй.
Подшипник роликовый цилиндрический
Этот тип подшипников обладает высокой устойчивостью к быстрым ускорениям и высоким скоростям, благодаря линейному контакту между роликами и дорожками качения.
Подшипник роликовый сферический
Это подшипник качения, который может вращаться с низким коэффициентом трения и допускает угловое смещение. Как правило, эти подшипники поддерживают вращающийся вал в отверстии внутреннего кольца, которое может смещаться относительно внешнего кольца.
Этапы разработки
-
1. Техническое предложениe
с обоснованием предлагаемого варианта решения по реализации задания.
-
2. Эскизный проект
дает принципиальное конструктивное решение и общее представление об устройстве и принципе работы изделия, о его габаритах и основных параметрах.
-
3. Технический проект
предусматривает оформление всех конструкторских документов, необходимых для изготовления изделия: чертежи деталей, сборочные, монтажные и габаритные чертежи, спецификация, ведомости покупных изделий и т.д.
-
4. Рабочий проект
дает на основе разработанных чертежей сборочных единиц и общих видов полное представление об устройстве изделия и исходные данные для разработки рабочих чертежей.
-
5. Пояснительная записка
содержит описание конструкции, а также расчеты, обосновывающие ее работоспособность.
Есть вопрос?